Home   |   Lamp Cap Gauge

Lamp Cap Gauge

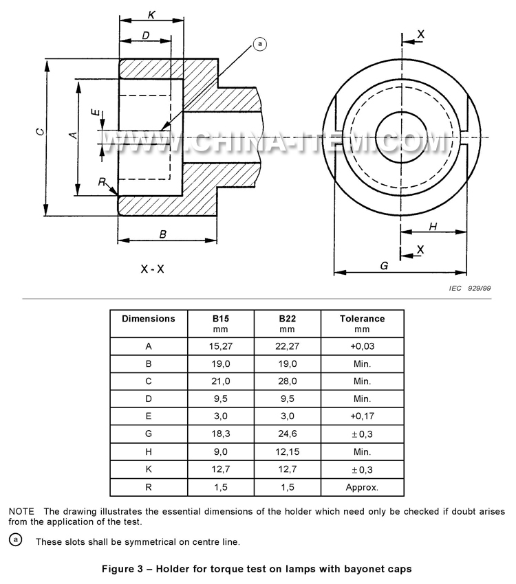
  • B15d Lamp Cap Torque Gauge​ of IEC60968 Figure 3
B15d Lamp Cap Torque Gauge​ of IEC60968 Figure 3

B15d Lamp Cap Torque Gauge​ of IEC60968 Figure 3

  • Measurement & Analysis Instruments > Safety Instrument
  • Include ISO 17025 CNAS & ILAC Calibration Certificate
  • LX-B15N
  • Made in China
  • Product description: Holder for Torque Test on Lamps with Bayonet Caps.
  • INQUIRY

Objective: To detect the lamp holder of mechanical strength.

Torsion resistance
The cap shall remain firmly attached to the bulb or that part of the lamp which is used for screwing the lamp in or out when subjected to the torque levels listed below.

B15d.............................................. 1,15 Nm


The test is made by means of the test holders shown in figures  3.

iec60968 figure3.jpg



Company introduction

HK LEE HING INDUSTRY CO., LTD are specialized in manufacturing special, custom built, test and measuring equipment for products testing as per international norms and offering calibration services and related information. Our products and services are used by research & development establishments, test laboratories, defense establishments, government institutions & manufacturing industries to fulfill the clients' requirements.


Main Products: Go Not go gauges, IP Tester, Test Probe Kit, Impact Test Equipment, test probes, Spring Hammer, IEC 61032 test finger, Plugs and Socket Outlet Gauge, AC Hipot Tester, IEC Test Probe, UL Test Probe, Material Flammability Tester, IP Code Tester, Impact Test Apparatus, Security Testing Machine, Lamp Cap Gauge Tester, Lampholders Gauge Tester, Plug & Socket Tester, Electrical Safety Tester, LED Test Instruments, Environmental Test Equipment, Instrument Accessories, Weighing Sensor and More.


If you require equipment to test products such as home appliances, electrical accessories like switches, sockets, connectors, etc. industrial & road lighting luminaires, automobile lighting systems or related categories, we can provide the solutions you need.


We would appreciate your comments on the layout design, presentation or other aspects of our website.

Website: http://www.114dc.com



Contact information

Contacts: Eason Wang

E-mail: info@iec-equipment.com

TEL: +86-755-33168386

FAX: +86-755-61605199

Phone: +86-15919975191

SKYPE: carlisle.wyk

Address: 1F Junfeng Building, Gongle, Xixiang, Baoan District, Shenzhen, Guangdong, China

ZIP: 518102

Website: http://www.114dc.com/


main products

office area

factory area

device display

cooperative businesses

products certificate

mode of transport

contact info

Thank you for your order.

close
Scan the qr codeClose
the qr code